Demand information/Offer information/Stock information
Search : 21780 items
-
Inquiry LJ4E, RLS32, RMS24, MS19[Indonesia] Pls quote to me stock, price and delivery time for LJ4Eor RLS32 (idxodxh) mm (101x184x31.7) quantity 4 pcs and RMS24 OR MS19 (76X177.7X40)mm QUANTITY 4 UNITS.【Indonesia】
2012-11-21 -
dear factory please quote 63804 2RS 5000 NOS 63805 2RS 100 NOS regards Marcelo【brazil】
2012-11-21 -
Demand ceramic ball bearing[Turkey] We need ceramic ball bearing which is fireproof or refractory and shown in the Picture within the attached file. We need two types of ceramic ball bearing One has to be operated in 1700-1800 0C and the other one has to be operated in 1200-1300 0C
I want to ask these questions about the product we need
* Operation temperature one is 1200-1300 ( We need 1700
Pieces) and the other one is 1700-1800 (We need 1800 pieces)
* Surface smoothness and brightness of the ceramic ball
* Density and weight of the balls
* Creep resistance to the operational weight which there will
be approximately 5 kg load on each bearing)
The diameter of the balls we want is 25 mm
* Their service life. Exactorestimated time.
* Storage conditions, in whichsituations the products are stored?
* Warranty Conditions
* Estimated freight or transportation from China toTurkey
* Estimated delivery time, from China toTurkey
WE WANT TO GET APPROX. 3500 PIECES【Turkey】
2012-11-21 -
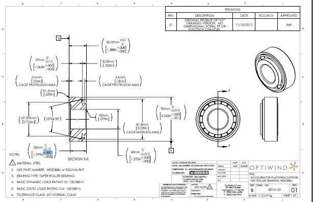
Demand NSK HR32308J[USA] We are looking for 24 pieces NSK HR32308J
【USA】
2012-11-21 -
1000 Pcs SR1458-LL/W.196 #3 FC Andoc C (.625x.875x.196) Stainless, PTFE Seals, Glass Filled Type, Special Width .196, Lube Andoc C Grease, Full Ball Compliment Compliment【USA】
2012-11-21 -
Demand spares[Greece] Urgently requirement of spare parts as below: M/E MAK TYPE 6 453 C BED PLATE LOCATING MAIN BEARING PN 1.1230 SET 1 NORMAL MAIN BEARINGS PN 1.1240 SET 6 If you can supply, please kindly let me know.【Greece】
2012-11-20 -
Demand bearings[Czech republic] I search following items: 6204 ZZ 1000 6202 ZZ 1000 6204 2RS 1000 6206 2RS 800 6202 2RS 800 6205 2RS 600 6205 ZZ 600 6206 ZZ 600 6203 2RS 600 30206 600 6201 600 608 300 6003 500 6210 500 + ST 491 30,5 / square / 1000 pcs. I need best price.【Czech republic】
2012-11-20 -
Demand bearing[Canada] Please let me know 100PCS S61907-ETA-A7-DUL Thanks.【Canada】
2012-11-20 -
1000 Pcs HCB7000CAC-/DU #7 (10x26x8) Angular Contact, Ceramic Hybrid, 25 Degree,Special Steel ZGC115, Phenolic Re-enforced Fiber Retainer Grade 5 Si3N4 Ceramic Balls, Matched For Mounting DB, DF or DT, Operation Speed 60,000 Rpm's【USA】
2012-11-19 -
Require quotation for 2 Pcs. Bearing 240/750 from ready stock【India】
2012-11-19 -
Demand oil seal 8X12X3 [Egypt] We need 1000 pcs oil seal 8X12X3 “ best quality , high temperature , brown rubber”【Egypt】
2012-11-19 -
Please quote me the follow material: 7005CTYNDULP4 --- 28pcs 7006CTYNDULP4 ----28pcs 7204CTYNDULP4 -----32pcs 7205CTYNDULP4-----32pcs 7206CTYNDULP4----32pcs Made in Japan Also the delivery time Thanks【Australia】
2012-11-19 -
Demand FAG 22232 E1 H14 [Indonesia] Would you mind to quote to me FAG 22232 E1 H14 quantity 4 units.Demand FAG 22232 E1 H14 [Indonesia] Would you mind to quote to me FAG 22232 E1 H14 quantity 4 units.
【Indonesia】
2012-11-19 -
Demand bearing[India] Looking for Ball bearing Part No.6405 2RS with Shield Inner diameter:25, Outer diameter:80, Thickness:21 QTY:4500.00 Pcs Pls quote your best price【India】
2012-11-16 -
Please send me your offer if you can supply the follow bearings: SKF material 1,23192 CAK/C3W33 + OH 3192 H 6 pcs 2,22212 EK/C3 12 pcs 3, SY45TF 20 pcs NSK material 7204CTYNDULP4 20 pcs 7205CTYNDULP4 20 pcs 7206CTYNDULP4 20 pcs 7005CTYNDULP4 50 pcs 7006CTYNDULP4 50 pcs Timken material LL382149/LL382110 2pcs L281148/L281110 2pcs Please also advice lead time,payment term Thanks【Australia】
2012-11-16 -
1000 Pcs 6000-2RS/9.5mm (9.5x26x8mm) Chrome, Rubber Seals Special 9.5mm Bore Grease Lubed.【USA】
2012-11-16 -
Demand from Shanghai[China] LM565949-LM565910,381x522.288X84.138/61912,2PCS M246942-M246910,231.775X338.55X65.088/50.8,1PC M249732-M249710,228.6X358.775X71.438/53.975,1PC EE231462-231975,371.475X501.65X66.675/50.8,2PCS 23968CC/W33,340X460X90,2PCS 23940CC/W33,200X280X60,2PCS【China】
2012-11-15 -
Demand from Anhui[China] Need to buy the following bearings: 7220 BMG--150 7222 BMG--150 7226 BMG--150 7311 BMG--150 7322BMG--150 7415BMG--150 Require to copy FAG, low price and high quality. If you have, contact with me.【China】
2012-11-15 -
Dear Supplier: We are urgent for SB22308S/SS --50 pieces .SB22204S/SS---50 pieces. original MCGILL brand,At least one in stock,we need check first.If you can supply,pls contact me as soon as possible. Best regards【China】
2012-11-15 -
Demand clutch[Korea] Clutch for gear box: TYPE: NICO 1030 ( 1:1 ) MADE IN JAPAN If you have our wanted clutch, please contact the price, photos and the condition.【Korea】
2012-11-15 -
Demand bearing[Canada] Look for the beairng as below: S. No. Part No. Description Quantity 1 SL-04-5012NR INA Anti Friction Bearing (new, original) 4 Nos【Canada】
2012-11-14 -
We are importers of bearings requiring different bearings in different sizes in good quantityevery month. For now, We are urgently need of the following bearings: 6201 ZZ V2 6202 ZZ V2 6203 ZZ V2 6204 ZZ V2 6004 ZZ Ordinary bearing quantity - 150000 nos. per month regularly material - GCr15 packing - tube packing - 10 pcs/tube and tubes packed in cartons Brand - ADB Kindly quote your prices for the bearings .【thailand】
2012-11-14 -
Buy bearings. Offer prices. 22336-A-MA-T41A - 4pcs. FAG【Ukraine】
2012-11-14 -
Buy bearings. Offer prices. 6305 2Z/JEM - SKF (Any) - 40pcs. 3305 A-2Z/LHT64 - SKF (Any) - 20pcs.【Ukraine】
2012-11-13 -
Please advise price and delivery time for below SKF CARB items: C-2216 C3 10pcs C-2218 C3 10pcs C-2314 C3 10pcs【IR Iran】
2012-11-13 -
Demand from China[Tianjin] Urgently require SN718-6. If you have it in stock, pls contact me as soon as possible.【China】
2012-11-13 -
Demand bearings[USA] Please advise price and delivery for: 100 C 150 pieces of each: 7220 BMG 7222 BMG 7226 BMG 7311 BMG 7322BMG 7415BMG The bearings must be G = Universal Ground Faces for assembly as Face to Face, Back to Back and Face to Back. Not Pairs!!! Confirm that in your answer to me. The price must be in USD and FOB Shanghai. Payment: 20% T/T with the order and 80% T/T against copy of B/L.【US United States】
2012-11-13 -
Demand from Shanghai[China] Long-term rquire NTN UCT210D1 with regular qty for each month.【China】
2012-11-12 -
Demand bearings[Iran] WE ARE IN NEED FOR: 1) 1.61864MAC3 2 PCS 2.61972MAC3 2 PCS PLEASE QUOTE WITH BEST DELIVERY TERM BASED ON FOB CHINA AND CIF DUBAI(U.A.E.) 2) 1.SI 40ES/2RS 50 PCS 2.SIL 40ES/2RS 50 PCS【Iran】
2012-11-12 -
Dear supplier: We are urget for SB22204,original Emerson(MCGILL) brand.1-2 pieces.Pls quote me FOB price as soon as possible.Thanks.【China】
2012-11-11




